AIRSENS-CO2 inteligentní čidlo CO2
Kód: V18473Detailní popis produktu
Inteligentní samostatná prostorová čidla oxidu uhličitého CO2, volných organických sloučenin VOC a relativní vlhkosti RH. Každé čidlo umožňuje zároveň měření teploty (pouze přes Modbus). Speciálně vyvinutá pro ovládámí DCV systémů a inteligentních větracích systémů. Jsou vhodná pro použití v kancelářích, učebnách, obchodních centrech, restauracích, domácnostech, fitcentrech a jiných komerčních objektech. Krytí IP30.
snadná instalace, montáž na stěnu
nevyžaduje údržbu během provozu
dlohodobá životnost a stabilita
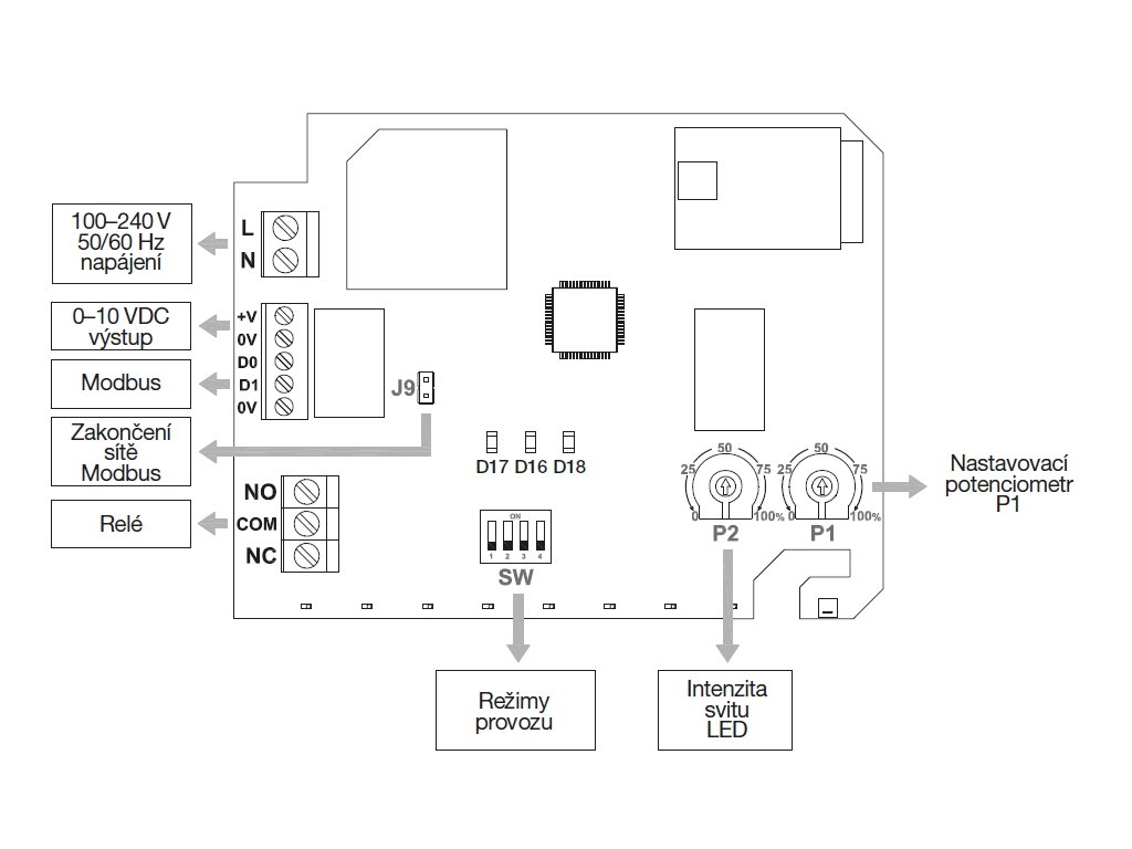
Provoz je možný ve 4 režimech:
přepínací výstupní relé a Modbus (čtení)
0–10 V výstup a Modbus (čtení)
2–10 V výstup a Modbus (čtení)
Modbus plné ovládání
Inteligentní čidla CO2 a VOC umožňují:
nastavení pracovního bodu
indikaci úrovně IAQ (kvality vzduchu) třemi barevnými LED kontrolkami umístěnými na spodní straně čidla
zelená – dobrá
oranžová – zhoršená
červená – špatná
Doplňkové parametry
| Kategorie: | Příslušenství Soler & Palau |
|---|---|
| EAN: | 8413893943910 |
| 🛠️ Typ komponenty: | Senzor, čidlo, snímač |
| Určeno pro zařízení: | Univerzální |
| Značka: | Soler & Palau |
Buďte první, kdo napíše příspěvek k této položce.
Přidat hodnocení
Buďte první, kdo napíše příspěvek k této položce.
| Výrobní společnost : | S&P Sistemas de Ventilación, S.L.U. |
|---|---|
| Adresa : | Llevant, 4 Polígono Industrial Llevant 08150 Parets del Vallès Barcelona, Španělsko |
| E-mail : | consultas@solerpalau.com |




