BM2D 12-5 7,5/75 talířový ventil odvodní s el. ovládáním
Kód: V9924Související produkty
Detailní popis produktu
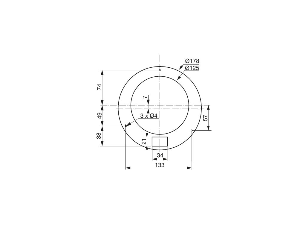
Plastový ventil určený pro odvod vzduchu s pevně nastaveným elementem pro regulaci průtoku. Ventily jsou vyrobeny z polypropylenu, barva bílá, jednobřité těsnění je umístěno na hrdle ventilu. Ventily BM2D jsou vhodné pro systémy DCV (větrací systémy řízené skutečnou potřebou). Systémy fungují na principu regulace na stálý podtlak ve stoupacím potrubí.
elektrické ovládání 230 V
třída izolace II, krytí IP20
vhodné pro rekonstrukce panelových domů bez nutnosti zásahu do VZT rozvodů
nízké hodnoty hluku a přeslechu
teplota okolí do 50 °C
maximální doporučená relativní vlhkost 95% (bez kondenzace)
Instalace
Ventily se zasunují přímo do kruhového potrubí. Pro těsné napojení má ventil pružné jednobřité těsnění. Ventil se pomocí tří šroubů může připevnit na zeď nebo na strop. Výběrem variant ventilu BM2D lze zvolit průtok vzduchu při otevřeném nebo zavřeném ventilu pro zajištění minimálního provětrávání místnosti.
Funkce
Při rozsvícení v koupelně nebo WC dojde k otevření ventilu a tím k poklesu tlaku v potrubí. Diferenciální tlakový senzor ventilátorů CRxB Ecowatt s řídící elektronikou zvýší otáčky tak, aby došlo k doregulování na předchozí hodnotu tlaku. Otevření i zavření ventilu je zpožděné o cca 80 s.
elektrické ovládání 230 V
třída izolace II, krytí IP20
vhodné pro rekonstrukce panelových domů bez nutnosti zásahu do VZT rozvodů
nízké hodnoty hluku a přeslechu
teplota okolí do 50 °C
maximální doporučená relativní vlhkost 95% (bez kondenzace)
Instalace
Ventily se zasunují přímo do kruhového potrubí. Pro těsné napojení má ventil pružné jednobřité těsnění. Ventil se pomocí tří šroubů může připevnit na zeď nebo na strop. Výběrem variant ventilu BM2D lze zvolit průtok vzduchu při otevřeném nebo zavřeném ventilu pro zajištění minimálního provětrávání místnosti.
Funkce
Při rozsvícení v koupelně nebo WC dojde k otevření ventilu a tím k poklesu tlaku v potrubí. Diferenciální tlakový senzor ventilátorů CRxB Ecowatt s řídící elektronikou zvýší otáčky tak, aby došlo k doregulování na předchozí hodnotu tlaku. Otevření i zavření ventilu je zpožděné o cca 80 s.
Doplňkové parametry
| Kategorie: | Plastové odvodní talířové ventily |
|---|---|
| ⬜⚪ Tvar ventilu: | Kulatý |
| ? ⚪️🔵 Průměr potrubí (mm): | 125 |
| 🎨 Barva: | bílá |
| ⚡ Elektrický: | Ano |
| 💎 Speciální provedení: | I pro rekuperace |
| ⚪⬅️ Odvodní: | Ano |
| ⭕ Montážní kroužek: | Ano |
| Průměr maximum x hloubka (mm): | 180x58 |
| Průtok vzduchu (m3/h): | 7,5/75 |
| Výkon (W): | 6,6 |
Buďte první, kdo napíše příspěvek k této položce.
Přidat hodnocení
Buďte první, kdo napíše příspěvek k této položce.
| Výrobní společnost : | Ventishop s.r.o. |
|---|---|
| Adresa : | Tiskařská 563/6, 108 00, Praha 10 - Malešice |
| E-mail : | info@ventishop.cz |




