BTT25-M 300 BFL24T požární klapka pro kruhové potrubí se servopohonem 24 V
Kód: V20945Detailní popis produktu
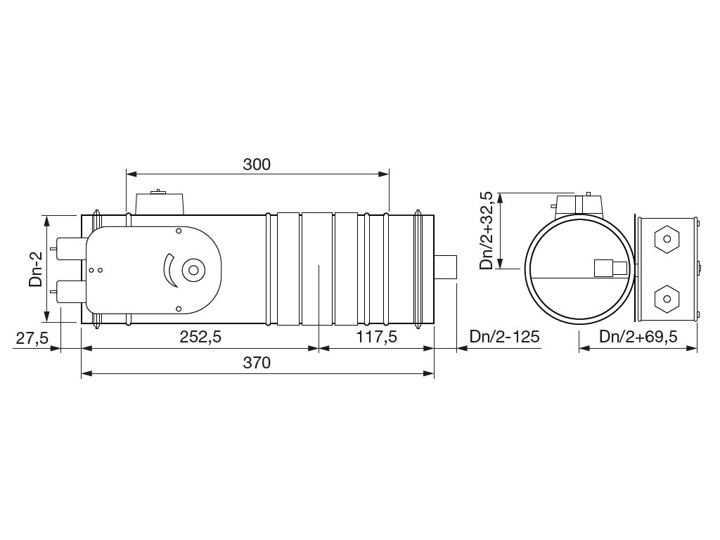
Kruhová požární klapka BTT25-M slouží jako uzávěr vzduchotechnického potrubí v případě požáru. Po uzavření klapky je zamezeno šíření požáru a šíření kouře potrubím z jednoho požárního úseku do druhého. Aktivace klapky v případě požáru je zajištěna standardně tepelnou pojistkou 72 °C. Uzavření klapky po aktivaci tepelné pojistky termoelektrického spouštěcího zařízení zajišťuje uzavírací pružina servopohonu. Plášť klapky, na kterém je řada perforací zabraňujících přestupu tepla, je zhotoven z pozinkovaného ocelového plechu. Klapka je vybavena jednořadým břitovým těsněním. List klapky je zhotoven z desek křemičitanu vápenatého. List se otáčí na ocelových čepech usazených v bronzových pouzdrech. Servopohon je osazen dvěma koncovými spínači. Klapka je konstruována s důrazem na minimální tlakovou ztrátu.
Označení CE dle certifikace EN 15650, klasifikace podle EN 13 501-3 je EI 90/120 S. Zkoušeno podle normy ČSN EN 1366-2 při 500 Pa.
Použití
Klapky jsou vhodné pro instalaci do všech běžných stavebních konstrukcí, jako jsou tuhé stěnové konstrukce, lehké příčky nebo tuhé stropní konstrukce. Klapku lze instalovat v požárně dělicí konstrukci s osou listu vertikálně i horizontálně. Požární klapky lze použít pouze pro vzdušinu bez mechanických a chemických příměsí. Maximální rychlost proudění 10 m/s.
Montáž
Požární klapky jsou určeny pro kruhová vzduchotechnická potrubí od DN100 do DN315. Osa klapky musí být uvnitř požárně dělicí konstrukce.
Upozornění
Požární klapky jsou vyhrazená požárně bezpečnostní zařízení (viz. vyhláška MV o požární prevenci), proto je nezbytné dodržovat předepsaná pravidla (školení montážních pracovníků, provádění pravidelných kontrol provozuschopnosti atp.). Vyžádejte si informace!
Doplňkové parametry
| Kategorie: | BTT25-M požární klapky se servopohonem |
|---|---|
| ? ⚪️🔵 Průměr potrubí (mm): | 300 |
| Značka: | Brofer |
Hodnocení produktu
Buďte první, kdo napíše příspěvek k této položce.
Diskuze
Buďte první, kdo napíše příspěvek k této položce.
| Výrobní společnost : | Brofer S.r.l. |
|---|---|
| Adresa : | Via Roma, 66 31023 Resana (TV) Italy |
| E-mail : | info@brofer.it |




