BTT30 EURO-M 710 BFN24T kruhová požární klapka se servopohonem 24 V
Kód: V20972Detailní popis produktu
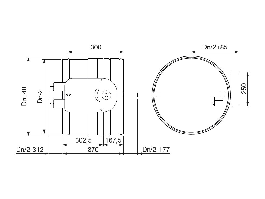
Kruhová požární klapka BTT30 EURO-M slouží jako uzávěr vzduchotechnického potrubí v případě požáru. Po uzavření klapky je zamezeno šíření požáru a šíření kouře potrubím z jednoho požárního úseku do druhého. Aktivace klapky v případě požáru je zajištěna standardně tepelnou pojistkou 72 °C. Uzavření klapky po aktivaci tepelné pojistky termoelektrického spouštěcího zařízení zajišťuje uzavírací pružina servopohonu. Plášť klapky je zhotoven z pozinkovaného ocelového plechu s prvkem, který zabraňuje přestupu tepla. Klapka je vybavena jednořadým břitovým těsněním. List klapky je zhotoven z desek křemičitanu vápenatého. List se otáčí na ocelových čepech usazených v bronzových pouzdrech. Klapka je osazena dvěma koncovými spínači. Klapka je konstruována s důrazem na minimální tlakovou ztrátu.
Označení CE dle certifikace EN 15650, klasifikace podle EN 13 501-3 je EI 90/120 S. Zkoušeno podle normy ČSN EN 1366-2 při 500 Pa.
Použití
Klapky jsou vhodné pro instalaci do všech běžných stavebních konstrukcí, jako jsou tuhé stěnové konstrukce, lehké příčky nebo tuhé stropní konstrukce. Klapku lze instalovat v požárně dělicí konstrukci s osou listu vertikálně i horizontálně. Požární klapky lze použít pouze pro vzdušinu bez mechanických a chemických příměsí. Maximální rychlost proudění 10 m/s.
Montáž
Požární klapky jsou určeny pro kruhová vzduchotechnická potrubí od DN200 do DN800. Osa klapky musí být uvnitř požárně dělicí konstrukce.
Příslušenství
- KS1 – držáky pro instalaci na strop
- KS2 – držáky pro instalaci do lehké příčky
- RDK potrubní revizní prvek
Upozornění
Požární klapky jsou vyhrazená požárně bezpečnostní zařízení (viz. vyhláška MV o požární prevenci), proto je nezbytné dodržovat předepsaná pravidla (školení montážních pracovníků, provádění pravidelných kontrol provozuschopnosti atp.). Vyžádejte si informace!
Doplňkové parametry
| Kategorie: | BTT30 EURO-M požární klapky se servopohonem |
|---|---|
| ? ⚪️🔵 Průměr potrubí (mm): | 710 |
| Značka: | Brofer |
Hodnocení produktu
Buďte první, kdo napíše příspěvek k této položce.
Diskuze
Buďte první, kdo napíše příspěvek k této položce.
| Výrobní společnost : | Brofer S.r.l. |
|---|---|
| Adresa : | Via Roma, 66 31023 Resana (TV) Italy |
| E-mail : | info@brofer.it |




