Vážení zákazníci, vyzvednutí osobních odběrů nově probíhá na nové adrese Tiskařská 563/6. Více informací naleznete zde.
IRIS 160 regulační a měřící clona
Kód: V7076Související produkty
Detailní popis produktu
Regulační a měřící clona IRIS je ideální zařízení pro regulaci a měření průtoku vzduchu v kruhovém potrubí.
nízká hladina hluku
možnost plného otevření při čištění potrubí
těsná konstrukce
Konstrukce
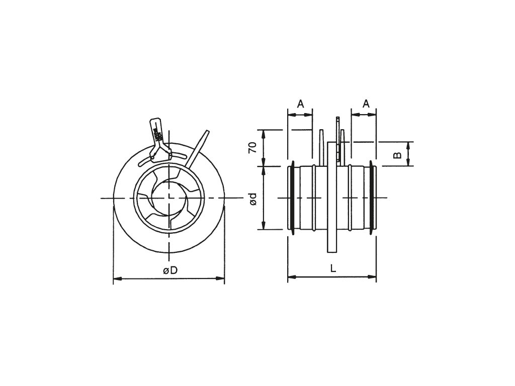
Clona IRIS je vyrobena z pozinkovaného ocelového plechu, dodává se s ovládacím mechanismem, měřící stupnicí a odběry pro připojení manometru.
Instalace
Clona IRIS se k potrubí připojuje pomocí nýtů nebo samořezných šroubů. Připojovací hrdla jsou opatřena jednobřitým těsněním. Bližší informaci ohledně doporučovaných bezpečných vzdáleností viz následující strana.
Regulace a měření
Clona IRIS může být snadno použita pro měření průtoku vzduchu. Přesný ovládací mechanismus zaručuje definované rozměry otevření odpovídající měřící stupnici. Každá clona je opatřena odběry pro připojení manometru pro měření tlakové diference (pm), která se dá přímo použít k odečtení rychlosti proudění z pracovních charakteristik uvedených na cloně nebo v tištěném podkladu dodávaném s clonou. Diagramy uvedené zde v katalogu jsou určeny pro volbu vhodné velikosti clony, ne pro stanovení průtoku. Průtok vzduchu se dá snadno regulovat pomocí ovládací rukojeti (u velikostí 80–315) nebo pootočením regulační matice (u velikostí 400–800).
nízká hladina hluku
možnost plného otevření při čištění potrubí
těsná konstrukce
Konstrukce
Clona IRIS je vyrobena z pozinkovaného ocelového plechu, dodává se s ovládacím mechanismem, měřící stupnicí a odběry pro připojení manometru.
Instalace
Clona IRIS se k potrubí připojuje pomocí nýtů nebo samořezných šroubů. Připojovací hrdla jsou opatřena jednobřitým těsněním. Bližší informaci ohledně doporučovaných bezpečných vzdáleností viz následující strana.
Regulace a měření
Clona IRIS může být snadno použita pro měření průtoku vzduchu. Přesný ovládací mechanismus zaručuje definované rozměry otevření odpovídající měřící stupnici. Každá clona je opatřena odběry pro připojení manometru pro měření tlakové diference (pm), která se dá přímo použít k odečtení rychlosti proudění z pracovních charakteristik uvedených na cloně nebo v tištěném podkladu dodávaném s clonou. Diagramy uvedené zde v katalogu jsou určeny pro volbu vhodné velikosti clony, ne pro stanovení průtoku. Průtok vzduchu se dá snadno regulovat pomocí ovládací rukojeti (u velikostí 80–315) nebo pootočením regulační matice (u velikostí 400–800).
Doplňkové parametry
| Kategorie: | Regulační a měřící clony IRIS |
|---|---|
| ? ⚪️🔵 Průměr potrubí (mm): | 160 |
| Značka: | Soler & Palau |
| Rozměr B: | 35 |
| Rozměr Průměr d: | 159 |
| Rozměr A: | 30 |
| Rozměr Průměr D: | 230 |
| Rozměr L: | 110 |
Hodnocení produktu
Buďte první, kdo napíše příspěvek k této položce.
Diskuze
Buďte první, kdo napíše příspěvek k této položce.
| Výrobní společnost : | S&P Sistemas de Ventilación, S.L.U. |
|---|---|
| Adresa : | Llevant, 4 Polígono Industrial Llevant 08150 Parets del Vallès Barcelona, Španělsko |
| E-mail : | consultas@solerpalau.com |




