MAA-Q 100/900 čtyřhranný tlumič hluku pro kruhové potrubí
Kód: V21463Související produkty
Detailní popis produktu
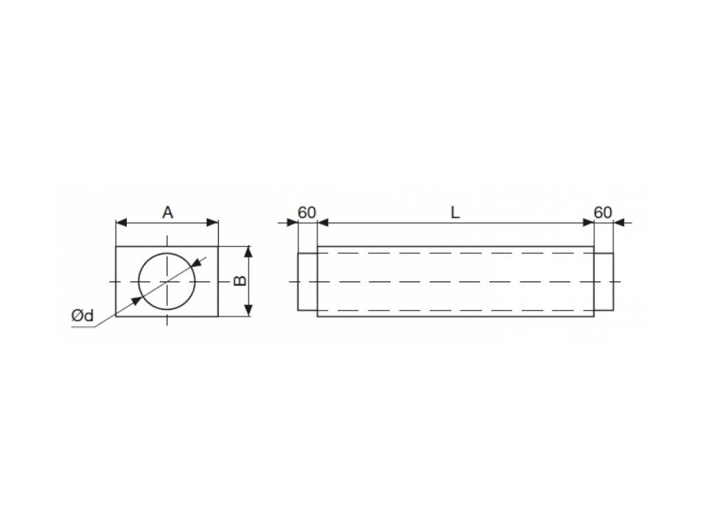
Čtyřhranný tlumič hluku MMA-Q 100/900 pro kruhové potrubí průměru 100 mm. Tlumič MAA-Q je vhodný pro rozvody s nedostatkem prostoru díky svým rozměrům, v porovnání s kulatým tlumičem MAA je o 4 cm nižší. Tlumič má asymetrickou výplň hlukové izolace, která zajišťuje velmi dobrý zvukový útlum. MAA-Q je možné připojit ve více kusech pro dosažení velmi výrazného útlumu.
Vlastnosti
- Plášť z galvanizovaného plechu
- Dosahuje značných útlumů hluku (hodnoty útlumu na vyžádání)
- Snadná a rychlá instalace
- Možnost propojit více tlumičů dohromady pro dosažení velmi výrazného útlumu
- Dobré výsledky jsou dosahovány ve spojení s ventilátory MIXVENT-TD
- Tlaková ztráta tlumiče se uvažuje ve výši 2 násobku tlakové ztráty hladkého potrubí
Doplňkové parametry
| Kategorie: | Čtyřhranné tlumiče hluku pro kruhové potrubí MAA-Q |
|---|---|
| Hmotnost: | 1 kg |
| Délka: | 900 mm |
| ? ⚪️🔵 Průměr potrubí (mm): | 100 |
| Hmotnost (kg): | 1 |
| Pevné: | Ano |
| Rozměr d [mm]: | 100 |
| Rozměr A [mm]: | 210 |
| Rozměr B [mm]: | 160 |
| Rozměr L [mm]: | 900 |
Buďte první, kdo napíše příspěvek k této položce.
Přidat hodnocení
Buďte první, kdo napíše příspěvek k této položce.




