Vážení zákazníci, vyzvednutí osobních odběrů nově probíhá na nové adrese Tiskařská 563/6. Více informací naleznete zde.
MKF 160 freonový chladič
Kód: V4950Detailní popis produktu
je určen pro čtyřhranné potrubí ve spojení s jednotkami DIRECT AIR
plášť chladiče je z galvanizovaného plechu
lamely jsou hliníkové na měděných trubičkách
připojení je pájením
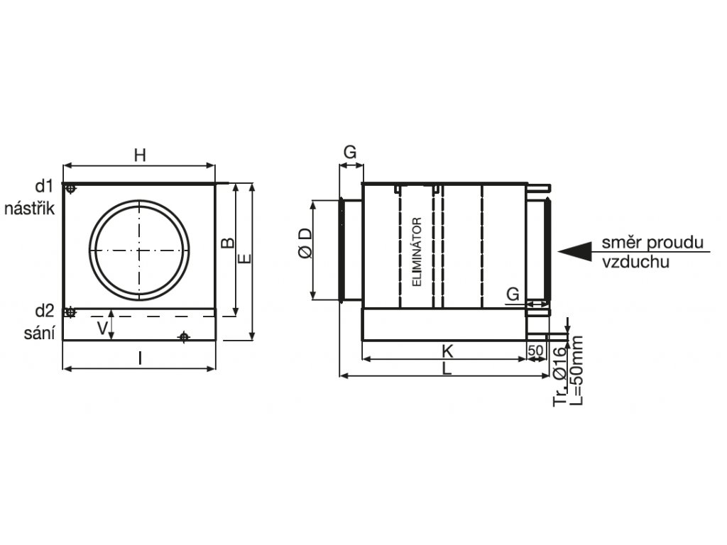
chladič obsahuje eliminátor kapek
použitelné do provozního tlaku 30 bar (3 MPa)
Instalace a provoz
rychlost vzduchu v potrubí nesmí překročit 4 m/s, jinak je nutno po konzultaci s technickým oddělením EDV doplnit další eliminátor kapek
přímé chladiče mohou být instalovány pouze ve vnitřním prostředí (v místě, kde je teplota trvale nad 0 °C
montáž výlučně v horizontální poloze
před chladič musí být instalován filtr vzduchu (ochrana před znečištěním)
chladič doporučujeme zařadit za ohřívač
při montáži je nutno pamatovat na vypouštění a plnění soustavy a zajištění přístupu pro servis
v rámci projekce je nutno chladič navrhnout s ohledem na množství vyvíjeného kondenzátu
odvod kondenzátu s pachovým sifonem je třeba kontrolovat s ohledem na možnost vysychání a zajistit dostatečnou výšku vodního sloupce pro překonání tlakové ztráty sifonu
pro zjištění minimálního bezpečného rozdílu hladin v sifonu lze orientačně postupovat tak, že se vezme celkový tlak ventilátoru Pt v mm vodního sloupce, tato hodnota se zvýší o cca 50 % (takto získaná hodnota představuje praktickou doporučenou hodnotu výšky vodního sloupce v sifonu, aby nemohlo dojít k překonání pachového uzávěru vyfouknutím přetlakem nebo vysáním podtlakem ventilátoru)
procházející vzduch nesmí obsahovat pevné, vláknité, lepivé a agresivní příměsi. Také musí být bez chemických látek, které způsobují korozi použitých materiálů tj. narušují hliník, měď a zinek
pro snížení tlakových ztrát (a tím snížení provozních nákladů) doporučujeme používat chladiče s obtokem vzduchu kolem výparníku (typ IKFxxBP)
propojení výparníku se zdrojem je pomocí izolovaného měděného potrubí. Chladící výkon se reguluje pomocí spínání kondenzační jednotky (provoz START-STOP)
na základě konzultace s technickým oddělením je možno nabídnout vhodný zdroj chladu
Upozornění
Chladič musí být nainstalován do potrubní trasy s prouděním vzduchu ve směru šipky na skříni chladiče, pokud je chladič namontován obráceně, kondenzát není sváděn do jímače a vytéká z chladiče ven. Pro spolehlivou funkci chladiče je nutno zajistit ochranu proti namrzání, případně regulaci výkonu (odmrazovací cyklus). V objednávce je nutno uvést požadavek na pravé nebo levé provedení. Provedení se rozumí podle směru vývodů při pohledu zpředu (tj. lamely výparníků jsou blíže k vám).
Ochrana proti namrzání
Při běžném použití musíme zajistit ochranu výparníku proti namrzání. V zimě je obtok otevřen, čímž je ochlazování vstupním vzduchem omezeno. Ochrana proti namrzání je zajištěna čidlem tak, aby při poklesu teploty za chladičem pod +5 °C došlo k odpojení zdroje chladu (kondenzační jednotky). K opětovnému připojení dojde, až vzroste teplota za chladičem nad +5 °C a současně bude požadavek na chlazení z řídicího systému. Lze použít termostaty s kontaktním výstupem např. čidlo F2000, které je určeno pro snímání teploty vzduchu v potrubí za výparníkem. Čidlo má nastavitelnou teplotu v rozsahu -30 …+30 °C, krytí IP44, kontakt Umax = 250 V, Imax = 16 A.
Montáž a údržba přímých chladičů – výparníků
Přímý chladič musí být vzdálen od kondenzační jednotky méně, než je maximální povolená vzdálenost. Musí být dodrženy limity pro maximální délku přívodního vedení a maximální převýšení mezi zdrojem a výparníkem. Instalace musí být provedena na základě odborného projektu kvalifikovaného projektanta, který odpovídá za správný výběr výparníku a příslušenství. Instalaci a uvedení do provozu smí provádět pouze odborná montážní firma s oprávněním dle obecně platných předpisů. Před montáží je nutno chladící systém pečlivě zkontrolovat. Hlavně je třeba zkontrolovat, zda nejsou některé díly poškozeny, zda je v pořádku potrubí, lamely a sběrače výparníku. Propojovací měděné potrubí musí být po celé délce izolováno a to každá trubka zvlášť.
plášť chladiče je z galvanizovaného plechu
lamely jsou hliníkové na měděných trubičkách
připojení je pájením
chladič obsahuje eliminátor kapek
použitelné do provozního tlaku 30 bar (3 MPa)
Instalace a provoz
rychlost vzduchu v potrubí nesmí překročit 4 m/s, jinak je nutno po konzultaci s technickým oddělením EDV doplnit další eliminátor kapek
přímé chladiče mohou být instalovány pouze ve vnitřním prostředí (v místě, kde je teplota trvale nad 0 °C
montáž výlučně v horizontální poloze
před chladič musí být instalován filtr vzduchu (ochrana před znečištěním)
chladič doporučujeme zařadit za ohřívač
při montáži je nutno pamatovat na vypouštění a plnění soustavy a zajištění přístupu pro servis
v rámci projekce je nutno chladič navrhnout s ohledem na množství vyvíjeného kondenzátu
odvod kondenzátu s pachovým sifonem je třeba kontrolovat s ohledem na možnost vysychání a zajistit dostatečnou výšku vodního sloupce pro překonání tlakové ztráty sifonu
pro zjištění minimálního bezpečného rozdílu hladin v sifonu lze orientačně postupovat tak, že se vezme celkový tlak ventilátoru Pt v mm vodního sloupce, tato hodnota se zvýší o cca 50 % (takto získaná hodnota představuje praktickou doporučenou hodnotu výšky vodního sloupce v sifonu, aby nemohlo dojít k překonání pachového uzávěru vyfouknutím přetlakem nebo vysáním podtlakem ventilátoru)
procházející vzduch nesmí obsahovat pevné, vláknité, lepivé a agresivní příměsi. Také musí být bez chemických látek, které způsobují korozi použitých materiálů tj. narušují hliník, měď a zinek
pro snížení tlakových ztrát (a tím snížení provozních nákladů) doporučujeme používat chladiče s obtokem vzduchu kolem výparníku (typ IKFxxBP)
propojení výparníku se zdrojem je pomocí izolovaného měděného potrubí. Chladící výkon se reguluje pomocí spínání kondenzační jednotky (provoz START-STOP)
na základě konzultace s technickým oddělením je možno nabídnout vhodný zdroj chladu
Upozornění
Chladič musí být nainstalován do potrubní trasy s prouděním vzduchu ve směru šipky na skříni chladiče, pokud je chladič namontován obráceně, kondenzát není sváděn do jímače a vytéká z chladiče ven. Pro spolehlivou funkci chladiče je nutno zajistit ochranu proti namrzání, případně regulaci výkonu (odmrazovací cyklus). V objednávce je nutno uvést požadavek na pravé nebo levé provedení. Provedení se rozumí podle směru vývodů při pohledu zpředu (tj. lamely výparníků jsou blíže k vám).
Ochrana proti namrzání
Při běžném použití musíme zajistit ochranu výparníku proti namrzání. V zimě je obtok otevřen, čímž je ochlazování vstupním vzduchem omezeno. Ochrana proti namrzání je zajištěna čidlem tak, aby při poklesu teploty za chladičem pod +5 °C došlo k odpojení zdroje chladu (kondenzační jednotky). K opětovnému připojení dojde, až vzroste teplota za chladičem nad +5 °C a současně bude požadavek na chlazení z řídicího systému. Lze použít termostaty s kontaktním výstupem např. čidlo F2000, které je určeno pro snímání teploty vzduchu v potrubí za výparníkem. Čidlo má nastavitelnou teplotu v rozsahu -30 …+30 °C, krytí IP44, kontakt Umax = 250 V, Imax = 16 A.
Montáž a údržba přímých chladičů – výparníků
Přímý chladič musí být vzdálen od kondenzační jednotky méně, než je maximální povolená vzdálenost. Musí být dodrženy limity pro maximální délku přívodního vedení a maximální převýšení mezi zdrojem a výparníkem. Instalace musí být provedena na základě odborného projektu kvalifikovaného projektanta, který odpovídá za správný výběr výparníku a příslušenství. Instalaci a uvedení do provozu smí provádět pouze odborná montážní firma s oprávněním dle obecně platných předpisů. Před montáží je nutno chladící systém pečlivě zkontrolovat. Hlavně je třeba zkontrolovat, zda nejsou některé díly poškozeny, zda je v pořádku potrubí, lamely a sběrače výparníku. Propojovací měděné potrubí musí být po celé délce izolováno a to každá trubka zvlášť.
Doplňkové parametry
| Kategorie: | Freonové chladiče MKF |
|---|---|
| ? ⚪️🔵 Průměr potrubí (mm): | 160 |
| Značka: | Soler & Palau |
| Rozměr B: | 250 |
| Rozměr G: | 40 |
| Rozměr E: | 290 |
| Rozměr H: | 303 |
| Rozměr Průměr d2: | 9,5 |
| Rozměr Průměr D: | 160 |
| Rozměr K: | 406 |
| Rozměr L: | 480 |
| Rozměr I: | 309 |
| Rozměr Průměr d1: | 9,5 |
Buďte první, kdo napíše příspěvek k této položce.
Přidat hodnocení
Buďte první, kdo napíše příspěvek k této položce.
| Výrobní společnost : | S&P Sistemas de Ventilación, S.L.U. |
|---|---|
| Adresa : | Llevant, 4 Polígono Industrial Llevant 08150 Parets del Vallès Barcelona, Španělsko |
| E-mail : | consultas@solerpalau.com |




