NZL-A 150 vzduchotechnická dýza s dlouhým dosahem
Kód: V5971Související produkty
Detailní popis produktu
Dýza s dlouhým dosahem umožňuje ruční otáčení o 360° a odklon až o 30°. Dýzy jsou určeny pro distribuci vzduchu na velkou vzdálenost ve velkých prostorech, např. nákupní střediska, haly a jiné veřejné prostory. Dýza má optimalizovaný design pro zajištění nízké hlučnosti. Provedení bez regulační klapky (NZL-A) nebo s regulační klapkou (NZL-A-RE).
Konstrukce
Dýzy jsou vyrobeny z hliníku opatřeného průhledným ochranným lakem.
Instalace
Dýzy jsou určeny pro montáž do stěny nebo do stropu pro přívod vzduchu. Doporučená výška instalace 2,4 – 11,5 m.
Montáž
pomocí šroubů na krycím rámečku přímo na potrubí nebo pomocí speciálního příslušenství.
Příslušenství
NZL-A-RF – adaptér pro připojení na ohebnou hadici
NZL-A-RC – adaptér pro připojení na kruhové potrubí
NZL-A-CR – krycí rámeček pro zakrytí šroubů dýzy NZL-A nebo NZL-A-RE
Konstrukce
Dýzy jsou vyrobeny z hliníku opatřeného průhledným ochranným lakem.
Instalace
Dýzy jsou určeny pro montáž do stěny nebo do stropu pro přívod vzduchu. Doporučená výška instalace 2,4 – 11,5 m.
Montáž
pomocí šroubů na krycím rámečku přímo na potrubí nebo pomocí speciálního příslušenství.
Příslušenství
NZL-A-RF – adaptér pro připojení na ohebnou hadici
NZL-A-RC – adaptér pro připojení na kruhové potrubí
NZL-A-CR – krycí rámeček pro zakrytí šroubů dýzy NZL-A nebo NZL-A-RE
Doplňkové parametry
| Kategorie: | Dýzy s dlouhým dosahem NZL-A |
|---|---|
| ? ⚪️🔵 Průměr potrubí (mm): | 300 |
| Ak (m2): | 0,0177 |
| Dpt max (Pa): | 70 |
| Dpt min (Pa): | 10 |
| Lwa max (dB(A)): | 58 |
| Lwa min (dB(A)): | 31 |
| Q max (m3/h): | 680 |
| Q min (m3/h): | 240 |
| X(0,25)-Y(0,25) max (m): | 28,3 |
| X(0,25)-Y(0,25) min (m): | 13,1 |
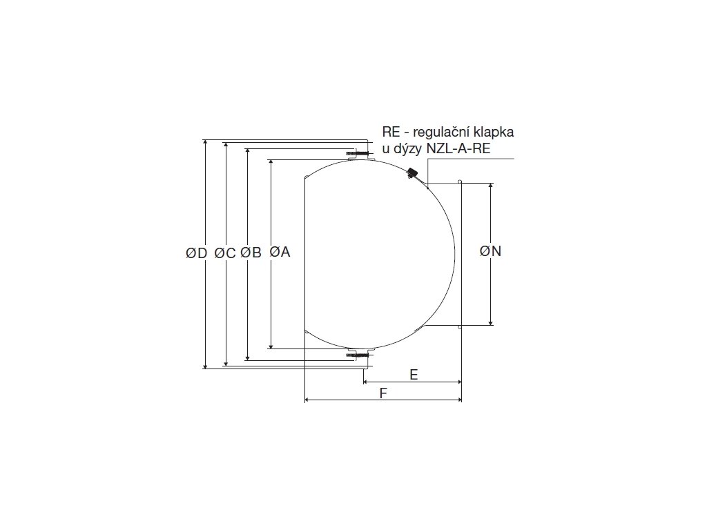
| Rozměr Průměr N: | 150 |
| Rozměr Průměr B: | 350 |
| Rozměr F: | 260 |
| Rozměr E: | 170 |
| Rozměr Průměr C: | 368 |
| Rozměr Průměr D: | 387 |
| Rozměr Průměr A: | 300 |
Buďte první, kdo napíše příspěvek k této položce.
Přidat hodnocení
Buďte první, kdo napíše příspěvek k této položce.
| Výrobní společnost : | Ventishop s.r.o. |
|---|---|
| Adresa : | Tiskařská 563/6, 108 00, Praha 10 - Malešice |
| E-mail : | info@ventishop.cz |




