TCBT/6-800 L PTC průmyslový třífázový potrubní axiální ventilátor
Kód: V2342Související produkty
Detailní popis produktu
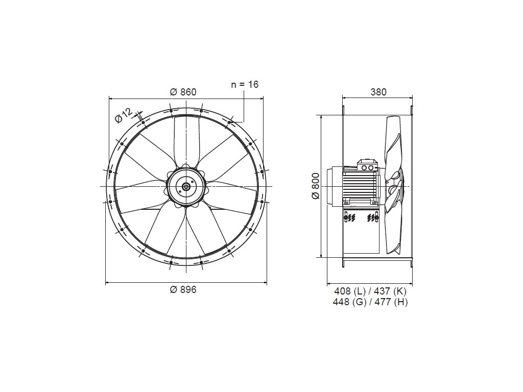
Ventilátory série COMPACT jsou ventilátory s vysokým výkonem a z hlediska zástavby do potrubní sítě s výhodnou krátkou skříní.Skříň
Skříň je z ocelového plechu, opatřeného černým lakem, montážní konzoly a šrouby jsou galvanicky pokoveny.
Oběžné kolo
Oběžné kolo je vyrobeno z hliníkové slitiny. Oběžné kolo je staticky a dynamicky vyváženo, rozsah pracovních teplot je v rozmezí -40 až +70 °C (6-pólové) nebo -40 až +40 °C (4-pólové).
Motor
Motor je asynchronní s odporovou kotvou, stator s chladicími žebry, povrchová úprava černým lakem. Motory jsou sériově vybaveny tepelnou ochranou (pouze 6-pólové), vinutí je tropikalizované s izolací třídy F. Čtyřpólové motory jsou vybaveny termistory PTC. Kuličková ložiska mají tukovou náplň na dobu životnosti. Krytí IP65 (6-pólové) nebo IP55 (4-pólové).
Směr otáčení
Směr otáčení je možno měnit u jednofázových i třífázových motorů. Se standardním oběžným kolem klesne pri opačném směru otáčení průtok o cca 30 %. Je možno objednat oběžné kolo pro opačný směr otáčení. Průtok vzdušiny je standardně od oběžného kola k motoru.
Svorkovnice
Svorkovnice je standardně z černého plastu. U jednofázového provedení obsahuje také rozběhový kondenzátor. Svorkovnice je umístěna na skříni (potrubní provedení).
Regulace otáček
Regulace otáček se provádí frekvenčním měničem.
Hluk
Hluk uvedený ve výkonových charakteristikách odpovídá hodnotám akustického tlaku ve volném poli ve vzdálenosti trojnásobku průměru oběžného kola (minimálně 1,5 m).
Montáž
Montáž ventilátoru v každé poloze osy motoru. Skříň nesmí přenášet mechanické namáhání z potrubních rozvodů. Je nutné použít pružné připojení k potrubí.
Pokyny
Ventilátory série COMPACT jsou ventilátory s vysokým výkonem a z hlediska zástavby do potrubní sítě s výhodnou krátkou skříní.
Doplňkové parametry
| Kategorie: | Průmyslové axiální ventilátory TCBB/TCBT |
|---|---|
| Hmotnost: | 57 kg |
| ? ⚪️🔵 Průměr potrubí (mm): | 800 |
| 📂💨 Kategorie průtoku vzduchu (0 Pa) (m³/h): | 20001-30000 |
| 📂⚡ Kategorie příkonu (W): | 1001-2000 |
| ? ⚡ Napětí: | 400 V |
| 🌡️ Teplota (°C): | 40 |
| ? 💧🔒 Krytí: | IP 55 |
| 🪨 Materiál: | Kov, Ocel |
| Otáčky (m-1): | 965 |
| Počet pólů motoru: | 6 |
| Proud (A): | 2,7 |
| Průtok (0 Pa) (m3/h): | 20770 |
| Výkon (W): | 1278 |
| 🌀⏹️ Typ konstrukce: | Axiální |
| 🔧 Motor: | AC |
| 📌 Umístění: | Do potrubí |
| Hmotnost (kg): | 57 |
| Značka: | Soler & Palau |
| Tvar napojitelného potrubí: | Pro kruhové potrubí |
| 🏠🏢 Použití: | 📦 Sklad, 🏭 Průmysl, komerční prostor |
Buďte první, kdo napíše příspěvek k této položce.
Přidat hodnocení
Buďte první, kdo napíše příspěvek k této položce.
| Výrobní společnost : | S&P Sistemas de Ventilación, S.L.U. |
|---|---|
| Adresa : | Llevant, 4 Polígono Industrial Llevant 08150 Parets del Vallès Barcelona, Španělsko |
| E-mail : | consultas@solerpalau.com |




