TH 800/200 Ecowatt střešní ventilátor
Kód: V14465Související produkty
Detailní popis produktu
Ventilátor je univerzální pro odvod i přívod. Standardně se dodává jako odvodní, změna použití je pouze otočením ventilátorové jednotky po uvolnění montážních spon a vložením (vyjmutím) usměrňovací vložky.Skříň
Skříně ventilátorů TH 500 až TH 800 jsou vyrobeny z plastu, podstavec a stříška z ocelového plechu opatřeného černým epoxidovým lakem. Modely TH 1300 a TH 2000 jsou vyrobeny z ocelového galvanizovaného plechu, stříška z hliníku, obojí opatřeno černým epoxidovým lakem.
Oběžné kolo
Diagonální oběžná kola jsou vyrobena z plastu s výjimkou typů TH 1300 a TH 2000, které mají obežná kola z ocelového plechu.
Motor
EC motor s tepelnou ochranou proti přetížení. Ložiska kuličková. Krytí IP44, třída izolace B. Pracovní teplota –20 °C až +60 °C.
Směr průtoku
Průtok vzdušiny je možno změnit otočením ventilátorového dílu s motorem a oběžným kolem po povolení a sejmutí stahovacích objímek.
Svorkovnice
Svorkovnice je umístěna na skříni ventilátoru, obsahuje rozběhový kondenzátor.
Regulace otáček
Regulace otáček se provádí pomocí potenciometru umístěného ve svorkovnici nebo externím ovládáním REB-Ecowatt. Dále analogovým vstupem 0–10 V od čidla teploty, vlhkosti nebo CO2.
Montáž
Střešní ventilátory TH Ecowatt se montují montážní základnou na vodorovné střešní konstrukce nebo stavebně připravené zděné sokly. Dále je možno použít sokly JMS a JBS.
Pokyny
Ventilátor je univerzální pro odvod i přívod. Standardně se dodává jako odvodní, změna použití je pouze otočením ventilátorové jednotky po uvolnění montážních spon a vložením (vyjmutím) usměrňovací vložky.
Doplňkové parametry
| Kategorie: | Úsporné střešní ventilátory TH Ecowatt |
|---|---|
| Hmotnost: | 5.6 kg |
| EAN: | 8413893652638 |
| 📂💨 Kategorie průtoku vzduchu (0 Pa) (m³/h): | 501-1000 |
| 📂⚡ Kategorie příkonu (W): | 51-100 |
| ? ⚡ Napětí: | 230 V |
| ? 💧🔒 Krytí: | IP 44 |
| Otáčky (min-1): | 2490 |
| Proud (A): | 0,6 |
| Průtok (0 Pa) (m3/h): | 750 |
| Regulace: | REB-Ecowatt |
| Výkon (W): | 98 |
| 🔧 Motor: | EC |
| 📌 Umístění: | Na střechu |
| Hmotnost (kg): | 5,6 |
| Značka: | Soler & Palau |
| 🏠🏢 Použití: | 📦 Sklad, 🏭 Průmysl, komerční prostor |
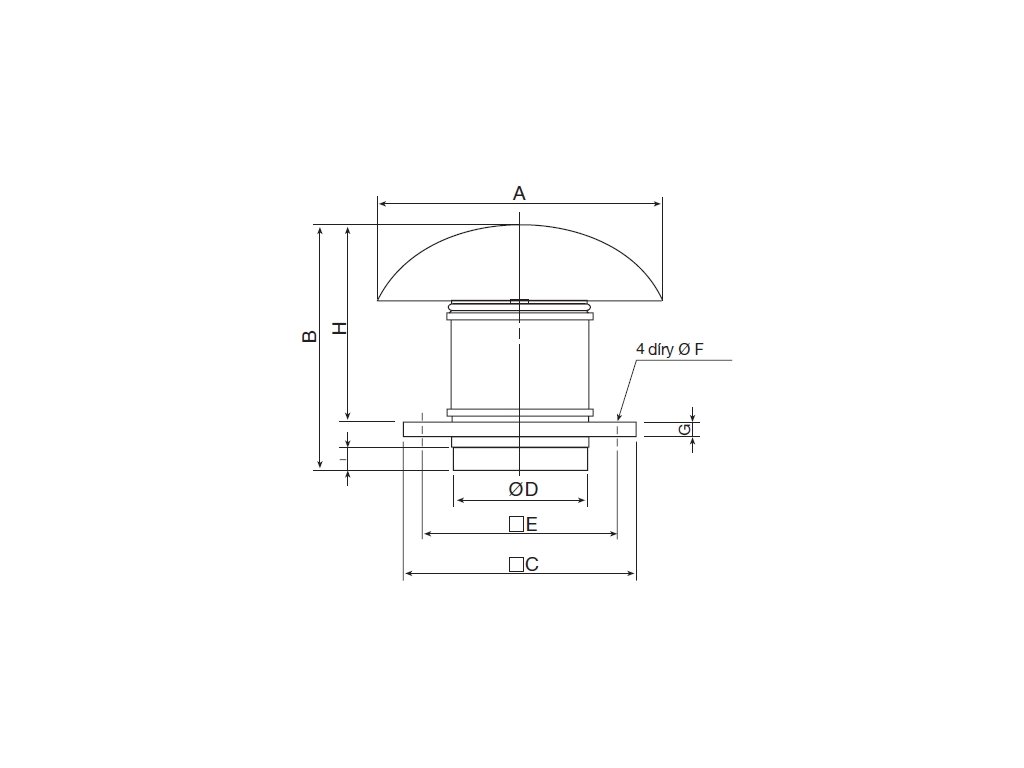
| Rozměr C: | 300 |
| Rozměr A: | 400 |
| Rozměr D: | 198 |
| Rozměr G: | 20 |
| Rozměr E: | 245 |
| Rozměr H: | 306 |
| Rozměr B: | 371 |
| Rozměr F: | 10 |
| Rozměr I: | 36 |
Buďte první, kdo napíše příspěvek k této položce.
Přidat hodnocení
Buďte první, kdo napíše příspěvek k této položce.
| Výrobní společnost : | S&P Sistemas de Ventilación, S.L.U. |
|---|---|
| Adresa : | Llevant, 4 Polígono Industrial Llevant 08150 Parets del Vallès Barcelona, Španělsko |
| E-mail : | consultas@solerpalau.com |




