OBD 90° 150/080 odbočka oboustranná
Kód: V7569Související produkty
Detailní popis produktu
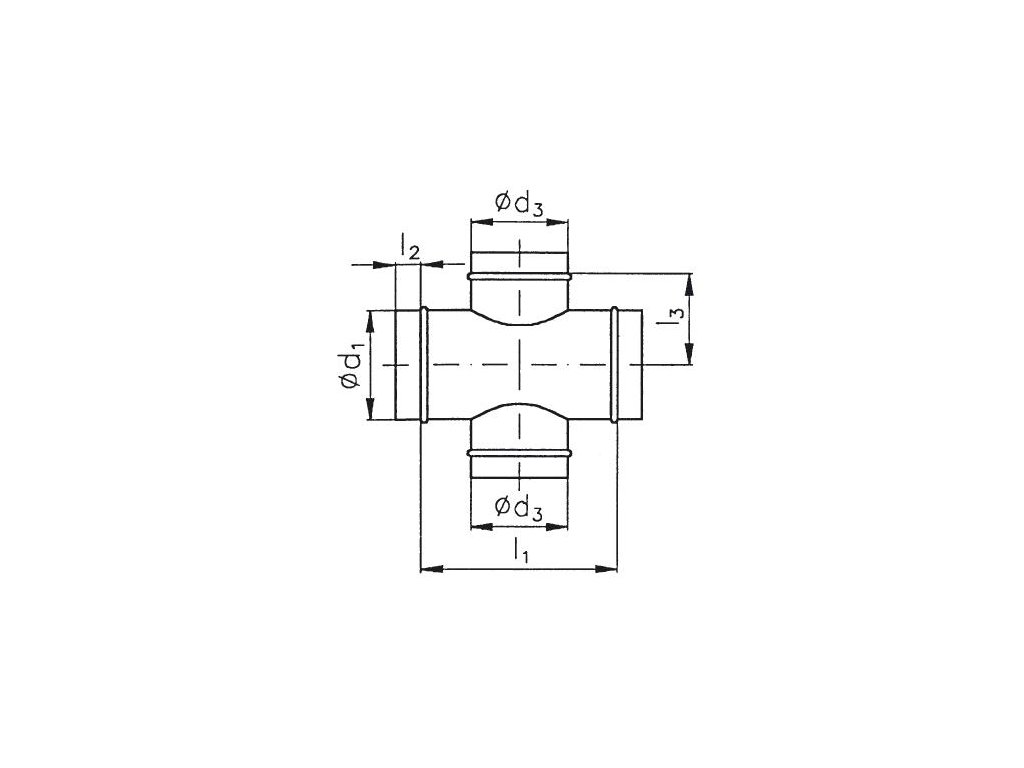
Vzduchotechnická odbočka oboustranná je kovová tvarovka sloužící k oboustrannému odbočení nebo rozdělení kruhového vzduchotechnického potrubí v úhlu 90°. Využití najde ve vzduchotechnice, odsávání či klimatizaci.
Instalace
- Odbočka se ke spiro potrubí připojuje jednoduchým vsunutím. Pevného spojení s potrubím docílíme samořeznými šrouby nebo nýty.
- U verze standard doporučujeme použít těsnící pásku.
Provedení
Odbočky jsou rozděleny na standardní a safe provedení
- SAFE - tvarovka je opatřena kvalitním těsněním EPDM a není nutné použití dalšího utěsnění. Třída vzduchotěsnosti C.
- Standard - bez těsnění, je nutné po upevnění utěsnit páskou.
Doplňkové parametry
| Kategorie: | Odbočky oboustranné |
|---|---|
| ? ⚪️🔵 Průměr potrubí (mm): | 80, 150 |
| Úhel: | 90° |
| Typ těsnění: | Standard (bez těsnění) |
| Rozměr d1 [mm]: | 150 |
| Rozměr d3 [mm]: | 80 |
| Rozměr I1 [mm]: | - |
| Rozměr I2 [mm]: | 40 |
| Rozměr I3 [mm]: | - |
| Provozní teplota [°C]: | -30 až +100 |
Buďte první, kdo napíše příspěvek k této položce.
Přidat hodnocení
Buďte první, kdo napíše příspěvek k této položce.
| Výrobní společnost : | Ventishop s.r.o. |
|---|---|
| Adresa : | Tiskařská 563/6, 108 00, Praha 10 - Malešice |
| E-mail : | info@ventishop.cz |




