OBR 140 nástavec
Kód: V21233Související produkty
Detailní popis produktu
Nástavec OBR z pozinkovaného plechu slouží pro připojení kruhových vzduchotechnických komponent (spiro potrubí, tvarovky, ohebné flexi potrubí) na čtyřhranné potrubí nebo jako příruba pro přichycení na desku. Ke spojení s potrubím se používají samořezné šrouby případně ocelové stahovací pásky.
Instalace
- Pro odbočení, do čtyřhranného potrubí vyříznete otvor v odpovídajícím průměru a nástavec připevníte.
- Ke spojení s potrubím se používají samořezné šrouby případně ocelové stahovací pásky.
Provedení
Nástavce jsou rozděleny na standardní a safe provedení
- SAFE - tvarovka je opatřena kvalitním těsněním EPDM a není nutné použití dalšího utěsnění. Třída vzduchotěsnosti C.
- Standard - bez těsnění, je nutné po upevnění utěsnit páskou.
Doplňkové parametry
| Kategorie: | Nástavce pro připojení kruhového potrubí |
|---|---|
| ? ⚪️🔵 Průměr potrubí (mm): | 140 |
| Hmotnost (kg): | 0,2 |
| Typ těsnění: | Standard (bez těsnění) |
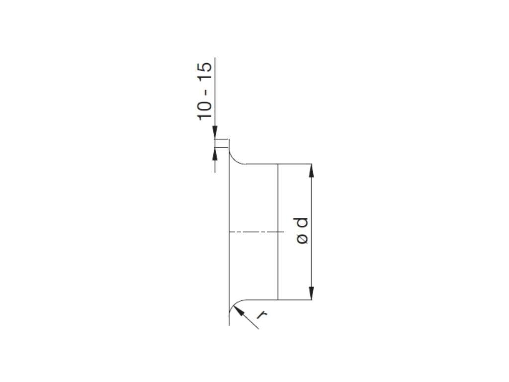
| Rozměr Od1 [mm]: | 140 |
| Rozměr r [mm]: | 25 |
Buďte první, kdo napíše příspěvek k této položce.
Přidat hodnocení
Buďte první, kdo napíše příspěvek k této položce.
| Výrobní společnost : | Ventishop s.r.o. |
|---|---|
| Adresa : | Tiskařská 563/6, 108 00, Praha 10 - Malešice |
| E-mail : | info@ventishop.cz |




