Soler & Palau RM 125 NK radiální kovový ventilátor do potrubí
Kód: V14086Související produkty
Detailní popis produktu
Ventilátor do potrubí - ⌀ 125 mm (průměr potrubí), radiální konstrukce, jednofázový motor 230 V / 50 Hz, kuličková ložiska, průtok vzduchu 390 m3/h, příkon 60 W, krytí IP 44, materiál konstrukce pozink. ocel, hlučnost 41/48/50 dB/A, proud 0,27 A, otáčky 2620/min, rozměry 198 × 241 mm (Š×V), hmotnost 3 kg
Robustní konstrukce
- Skříň z pozinkovaného ocelového plechu
- Ochranný lak proti korozi (vybrané velikosti)
Efektivní provoz
- Radiální oběžné kolo s vysokou účinností
- Nižší hlučnost při provozu
Spolehlivý motor
- Asynchronní motor s tepelnou ochranou
- Kuličková ložiska, krytí IP44–IP54
Regulace výkonu
- Elektronická i transformátorová regulace
- Přizpůsobení výkonu instalaci
Snadná instalace
- Montáž v libovolné poloze
- Flexibilní umístění svorkovnice
Široké využití
- Domy, kanceláře i provozovny
- Možnost napojení na hygrostat
Konstrukce
Skříň je vylisována z ocelového pozinkovaného plechu.
Oběžné kolo je radiální s dozadu zahnutými lopatkami. Oběžné kolo je nalisované na vnější rotor motoru a je plastové.
Motor a svorkovnice
Motor je asynchronní. Tepelná pojistka je umístěna ve vinutí motoru. Ložiska jsou kuličková. Třída izolace B, krytí IP44.
Regulace otáček
Regulace ventilátoru je možná. Provádí se elektronickými nebo transformátorovými regulátory.
Montáž
Montáž ventilátoru v každé poloze osy motoru. Skříň nesmí přenášet mechanické namáhání z potrubních rozvodů. Je nutné použít pružné připojení k potrubí.
Doplňkové parametry
| Kategorie: | Radiální ventilátory do potrubí RM N |
|---|---|
| Hmotnost: | 3 kg |
| EAN: | 8413893862174 |
| ? ⚪️🔵 Průměr potrubí (mm): | 125 |
| 📂💨 Kategorie průtoku vzduchu (0 Pa) (m³/h): | 251-500 |
| 📂⚡ Kategorie příkonu (W): | 51-100 |
| ? ⚡ Napětí: | 230 V |
| 🌡️ Teplota (°C): | 60 |
| Akustický tlak (hlučnost) (dB(A)): | 41/48/50 |
| Doběhový spínač: | DT 3, DT 4 |
| ? 💧🔒 Krytí: | IP 44 |
| ⚙️ Kuličková ložiska: | Ano |
| 🪨 Materiál: | Kov, Ocel, Ocel, pozink, Ocel, korozivzdorná, Ocel, galvanizovaná |
| Otáčky (min-1): | 2620 |
| Proud (A): | 0,27 |
| Průtok (0 Pa) (m3/h): | 390 |
| Výkon (W): | 60 |
| 🌀⏹️ Typ konstrukce: | Radiální |
| 🔧 Motor: | AC |
| 📌 Umístění: | Do potrubí |
| Hmotnost (kg): | 3 |
| Značka: | Soler & Palau |
| Šířka (mm): | 198 |
| Tvar napojitelného potrubí: | Pro kruhové potrubí |
| 🏠🏢 Použití: | 📦 Sklad, 🏭 Průmysl, komerční prostor |
| Výška (mm): | 241 |
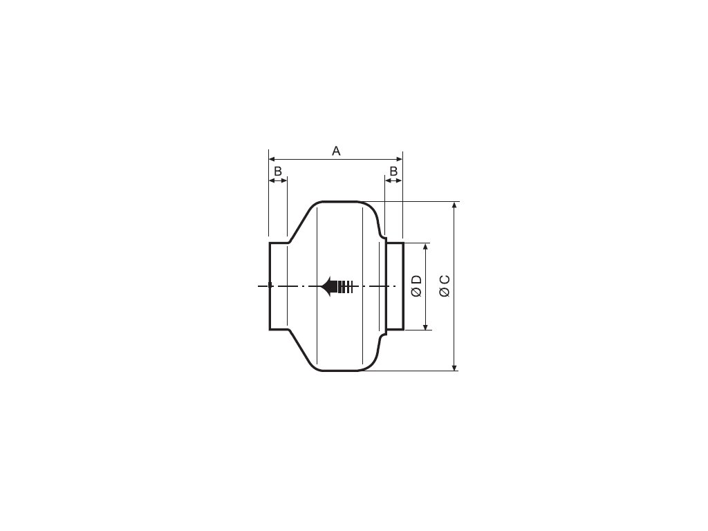
| Rozměr B: | 27 |
| Rozměr A: | 198 |
| Rozměr Průměr D: | 123 |
| Rozměr Průměr C: | 241 |
Buďte první, kdo napíše příspěvek k této položce.
Buďte první, kdo napíše příspěvek k této položce.
| Výrobní společnost : | S&P Sistemas de Ventilación, S.L.U. |
|---|---|
| Adresa : | Llevant, 4 Polígono Industrial Llevant 08150 Parets del Vallès Barcelona, Španělsko |
| E-mail : | consultas@solerpalau.com |




