Soler & Palau RMQ 200 N nástěnný radiální ventilátor k připojení potrubí
Kód: V14115Související produkty
Detailní popis produktu
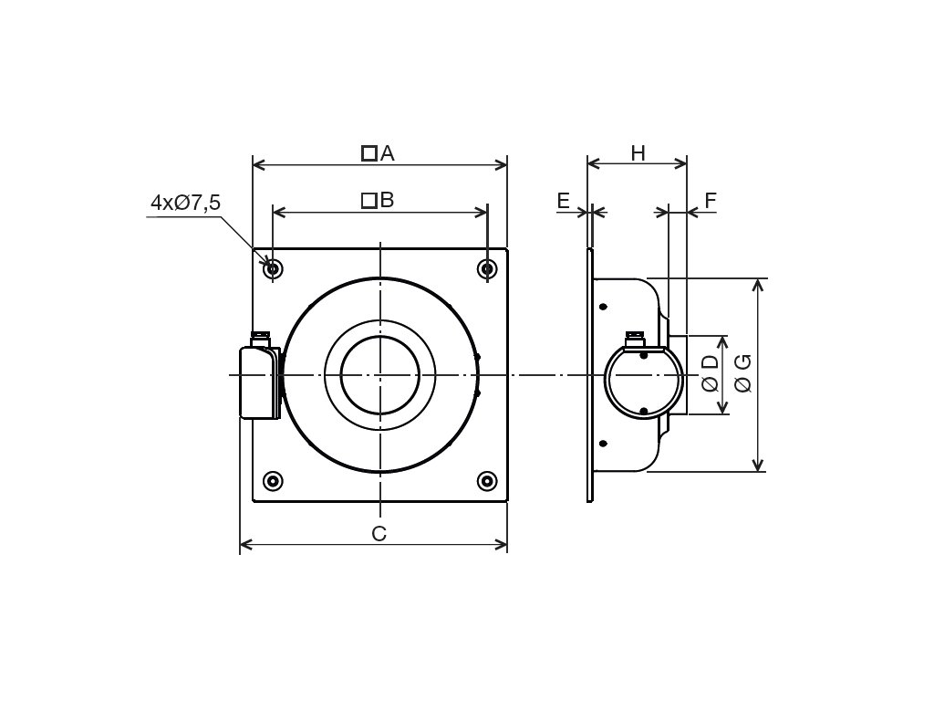
Ventilátory jsou určeny k odvětrání rodinných domků, sociálních zařízení, kanceláří a provozoven. Výhodně lze při instalaci do podhledu použít flexohadice, tvarovky, rozváděcí skříně a talířové ventily. Ventilátory lze použít ve spojení s hygrostatem HIG 2 nebo s hygrostatem kombinovaným s termostatem pro odvětrání vlhkých prostor.Rozměry
| A | 400 |
| B | 350 |
| C | 418 |
| D | 198 |
| E | 6 |
| F | 27 |
| G | 330 |
| H | 143 |
Skříň
Skříň je vylisovaná z ocelového pozinkového plechu vytvarovaná pro montáž na stěnu. Na sání je hrdlo v rozměru shodném s označením ventilátoru, na výtlaku je skříň otevřená.
Oběžné kolo
Oběžné kolo je radiální s dozadu zahnutými lopatkami a je vyrobeno z plastu (velikosti 100-250) nebo z ocelového plechu (velikost 315). Oběžné kolo je nalisované na vnější rotor motoru.
Motor
Motor je asynchronní. Tepelná pojistka je umístěna ve vinutí motoru. Ložiska jsou kuličková. Třída izolace F, krytí IP44.
Svorkovnice
Svorkovnice je standardně z černého plastu a je pevně uchycena na skříni ventilátoru.
Regulace otáček
Regulace otáček se provádí elektronickými nebo transformátorovými regulátory.
Montáž
Montáž ventilátoru v každé poloze osy motoru. Skříň nesmí přenášet mechanické namáhání z potrubních rozvodů. Je nutné použít pružné připojení k potrubí. Pro montáž do potrubí lze použít verzi RM N.
Pokyny
Ventilátory jsou určeny k odvětrání rodinných domků, sociálních zařízení, kanceláří a provozoven. Výhodně lze při instalaci do podhledu použít flexohadice, tvarovky, rozváděcí skříně a talířové ventily. Ventilátory lze použít ve spojení s hygrostatem HIG 2 nebo s hygrostatem kombinovaným s termostatem pro odvětrání vlhkých prostor.
Doplňkové parametry
| Kategorie: | Ventilátory RMQ N |
|---|---|
| Hmotnost: | 5 kg |
| EAN: | 8413893787354 |
| ? ⚪️🔵 Průměr potrubí (mm): | 200 |
| 📂💨 Kategorie průtoku vzduchu (0 Pa) (m³/h): | 501-1000 |
| 📂⚡ Kategorie příkonu (W): | 101-500 |
| ? ⚡ Napětí: | 230 V |
| 🌡️ Teplota (°C): | 60 |
| ? 💧🔒 Krytí: | IP 44 |
| ⚙️ Kuličková ložiska: | Ano |
| 🪨 Materiál: | Kov, Ocel, Ocel, pozink, Ocel, korozivzdorná, Ocel, galvanizovaná |
| Otáčky (min-1): | 2690 |
| Proud (A): | 0,6 |
| Průtok (0 Pa) (m3/h): | 960 |
| Regulace: | REV 1,5, REB 1 |
| Výkon (W): | 145 |
| 🔧 Motor: | AC |
| 📌 Umístění: | Do potrubí |
| Hmotnost (kg): | 5 |
| Značka: | Soler & Palau |
| Tvar napojitelného potrubí: | Pro kruhové potrubí |
| 🏠🏢 Použití: | 📦 Sklad, 🏭 Průmysl, komerční prostor |
| Rozměr D: | 198 |
| Rozměr C: | 418 |
| Rozměr A: | 400 |
| Rozměr B: | 350 |
| Rozměr G: | 330 |
| Rozměr H: | 143 |
| Rozměr E: | 6 |
| Rozměr F: | 27 |
Buďte první, kdo napíše příspěvek k této položce.
Přidat hodnocení
Buďte první, kdo napíše příspěvek k této položce.
| Výrobní společnost : | S&P Sistemas de Ventilación, S.L.U. |
|---|---|
| Adresa : | Llevant, 4 Polígono Industrial Llevant 08150 Parets del Vallès Barcelona, Španělsko |
| E-mail : | consultas@solerpalau.com |




