Soler & Palau TD 800/200 3V tříotáčkový ventilátor do kruhového potrubí
Kód: V14366Související produkty
Detailní popis produktu
Potrubní tříotáčkový ventilátor TD 800/200 3V od Soler & Palau s plastovým oběžným kolem a kuličkovými ložisky. Ventilátor s tichým chodem do potrubí o průměru 200 mm. Průtok 1040/940/850 m3/h.
Skříň
Skříně ventilátorů TD-160 až TD-800 jsou vyrobeny z plastu, modely TD-1000 až TD-6000 jsou vyrobeny z ocelového galvanizovaného plechu opatřeného epoxidovým lakem. Skříň se skládá z montážní lišty s dvěma hrdly a motoru, který je s hrdly spojen rychloupínacími sponami. Konstrukce umožňuje demontáž motorové části bez nutnosti odpojit potrubí.
Oběžné kolo
Oběžná kola ventilátorů TD-160 až TD-800 jsou vyrobena z plastu, oběžná kola TD-1000 až TD-6000 jsou vyrobena z hliníku.
Motor
Střídavé motory ve ventilátorech TD-160 až TD-350 mají dvojí vinutí, což umožňuje provoz s dvojími otáčkami. Ventilátory TD- 500 až TD-2000 mají trojí vinutí. TD-4000 a TD-6000 mají jedno vinutí, je možné je regulovat změnou napětí. Motory jsou vybaveny tepelnou pojistkou (TD 160–TD 350) nebo tepelnou ochranou (TD 500–TD 6000). Ložiska jsou kuličková s tukovou náplní na dobu životnosti. Třída izolace B, krytí IP44 (TD 250, 350, 800–2000), třída izolace F, krytí IP44 (TD 500), třída izolace F, krytí IP54 (TD 4000, 6000). Ventilátory TD a TD-T jsou pro napětí 230 V, krom TD 4000 TRIF (230/400 V) a TD 6000 TRIF, kde je napájecí napětí 400 V.
Svorkovnice
Svorkovnice je umístěna na skříni ventilátoru, u některých typů obsahuje rozběhový kondenzátor.
Regulace otáček
U střídavých motorů s dvojím vinutím (TD 160–350) se otáčky přepínají ve dvou stupních pomocí regulátorů REGUL 2 nebo COM 2 nebo změnou napětí regulátory REB (plynulá regulace) nebo REV (pětistupňová regulace). U motorů s trojím vinutím (TD 500 – TD 2000) se otáčky přepínají ve třech stupních pomocí regulátorů COM 3 nebo INT 4P nebo lze použít regulaci změnou napětí regulátory REB (plynulá regulace) nebo REV (pětistupňová regulace). TD 4000 a 6000 se dají regulovat pouze změnou napětí. TD 4000 a 6000 TRIF se dají regulovat změnou napětí nebo frekvenčními měniči. TD-T s jedním vinutím a vestavěným doběhem nelze regulovat.
Varianty
• TD – základní provedení (pro potrubí DN 100 až 400)
• TD-T – provedení s nastavitelným doběhem 1 až 30 minut, jednootáčkové (pro potrubí DN 100 až 200)
• TD-T – provedení s nastavitelným doběhem 1 až 30 minut, jednootáčkové (pro potrubí DN 100 až 200)
Montáž
Montáž ventilátorů je možná v každé poloze ventilátoru. Skříň nesmí přenášet mechanické namáhání z potrubních rozvodů. Je nutné použít pružné připojení k potrubí.
Doplňkové parametry
| Kategorie: | Ventilátory TD MIXVENT |
|---|---|
| Záruka: | 5 let |
| Hmotnost: | 4.9 kg |
| EAN: | 8413893876447 |
| ? ⚪️🔵 Průměr potrubí (mm): | 200 |
| 📂💨 Kategorie průtoku vzduchu (0 Pa) (m³/h): | 1001-2000 |
| 📂⚡ Kategorie příkonu (W): | 101-500 |
| ? ⚡ Napětí: | 230 V |
| ? 💧🔒 Krytí: | IP 44 |
| ⚙️ Kuličková ložiska: | Ano |
| 🪨 Materiál: | Plast |
| Otáčky (min-1): | 2480/2290/2080 |
| Proud (A): | 0,55/0,56/0,55 |
| Průtok (0 Pa) (m3/h): | 1040/940/850 |
| Regulátor: | REV 1,5, REB 1 |
| Výkon (W): | 132/133/131 |
| 🌀⏹️ Typ konstrukce: | Diagonální |
| 🔧 Motor: | AC |
| 📌 Umístění: | Do potrubí |
| Hmotnost (kg): | 4,9 |
| Značka: | Soler & Palau |
| Tvar napojitelného potrubí: | Pro kruhové potrubí |
| 🏠🏢 Použití: | 📦 Sklad, 🏭 Průmysl, komerční prostor |
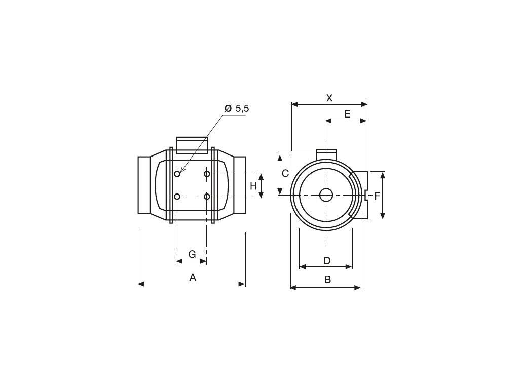
| Rozměr F: | 140 |
| Rozměr X: | 232,5 |
| Rozměr Průměr B: | 217 |
| Rozměr H: | 94 |
| Rozměr G: | 100 |
| Rozměr E: | 124 |
| Rozměr Průměr D: | 198 |
| Rozměr A: | 302 |
| Rozměr C: | 141 |
Buďte první, kdo napíše příspěvek k této položce.
Přidat hodnocení
Buďte první, kdo napíše příspěvek k této položce.
| Výrobní společnost : | S&P Sistemas de Ventilación, S.L.U. |
|---|---|
| Adresa : | Llevant, 4 Polígono Industrial Llevant 08150 Parets del Vallès Barcelona, Španělsko |
| E-mail : | consultas@solerpalau.com |




